Potenciometro Multivuelta...
0,45 €
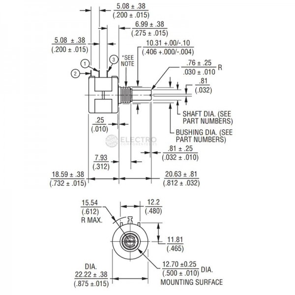
Potenciómetro Multivuelta de 500K ohm y 0,5w de potencia. Este potenciómetro o resistencia variable te permite sustituir uno ya dañado o bien...
